Philips 9106 Berlin orsós magnó

Műszaki adatok:
| Szalagsebesség | 9,53 cm/s | |
| Szalagsebesség ingadozás | 0,25% | |
| Sávok száma | 2 | |
| Bemeneti érzékenység | mikrofon | 0,2 mV/2kΩ |
| rádió | 0,2 mV/2kΩ | |
| lemezjátszó | 100 mV/1MΩ | |
| Feszültségkimenet | 750 mV/20kΩ | |
| Hangfrekvenciás kimenőteljesítmény | 1,5W k=10% | |
| Dinamika | 45 dB | |
| Frekvencia átvitel | 80-10.000 Hz | |
| Törlő és előmágnesező frekvencia | 51-61 kHz | |
| Maximális orsóátmérő | 150 mm | |
| Áttekercselési idő | 4m perc | |
| Tápfeszültség | 110/220 V 240 V | |
| Méret | 374*265*128 mm | |
| Súly | 5,5 kg |
![]() |
Felülnézeti kép, nem egy sokatmondó ábra. |
![]() |
Szemből, ez sem túl beszédes. |
![]() |
Robbantott rajz a mechanikáról. A képre klickelve bejön nagyobb felbontásban (1024*X). Ide klickelve pedig teljes felbontásban, hogy jól látszódjanak a részletek, illetve hogy nyomtatni lehessen. |
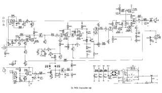
![]() |
Kapcsolási rajz. (teljes felbontás) |
![]() |
A panel beültetési rajza. (teljes felbontás) |
![]() |
A panel huzalozási rajza. (teljes felbontás) |
![]()