Grundig K-PR 15 zsebrádió
(egy kicsit már rozsdás)
|
Ez a rádió azért áll a pulton egymagában, hogy még csak esélyem se legyen helyette valami mást választani. Ez amúgy persze még ezen a viszonylag szűk képkivágásban sincs így, hiszen balra fent a kék dobozos egy egyenes rendszerű zsebrádió, míg mellette a két rózsaszín egy-egy radioaktívsugárzás-mérő. |
|
Ez
a rádió úgy került a múltkor mutatott Philips társánál 500 forinttal kevesebbe,
hogy míg azért 500 forintot adtam, addig ezért konkrétan semmit. Mármint ezt
lomtalanításkor egyszerűen csak kivettem az egyik kupacból. |
FM + AM sávos, méghozzá úgy, hogy az FM sáv
teljes
értékű, vagyis nem csak 104 MHz-ig terjed.
Ez itt az állomáskereső és a füles csatlakozó aljzata.
Ez pedig a bekapcsoló és egyben hangerőszabályzó.
|
Ami érdekessége a készüléknek, az a minden irányból legömbölyített formája. Vagyis ez a rádió nem akad be a sarkainál fogva, amitől aztán valóban könnyedén zsebre tehető. |
|
Hiába van meg a típusszáma, nem találtam hozzá kapcsolási rajzot, ami az utóbbi évtizedek apró elektronikáira sajnos kifejezetten jellemző. Mármint azért, mert ugye mégis minek a rajz, hiszen ki akar megjavítani, vagy megjavíttatni egy olyan mondjuk zsebrádiót, aminek az újkori ára alatta van az azt megjavítani képes szakember rezsióradíjának. |
Az nem mentség, hogy az felejtette benne az
elemeket,
aki ezt a rádiót kidobta, mert ugye azóta már én is.
Ennek a hangszóró előtti rácsnak azért van rozsdaszíne, mert rozsdás.
Az elemekben már fél volt sem volt.
|
Mikor ezt megláttam, erről nekem egyből a trágya (mint minőségjelző) jutott eszembe. Jelen esetben nem arról van szó, hogy ez egy úgynevezett egy chipes rádió (amúgy persze az, lásd a panelen a nulla számú tranzisztort), hanem arról, hogy mégis hogy állnak már azok az alkatrészek? |
A ferritrúd mondhatni miniatűr, míg a forgatógomb recéi már eleve lekerekítettek.
Jobbra a sárga tégla, az a komplett AM KF
rendszer,
míg tőle balra a már említett trágya szerelés látható.
Itt pedig a trágya szerelés közepén az egy szem FM sávszűrő díszeleg.

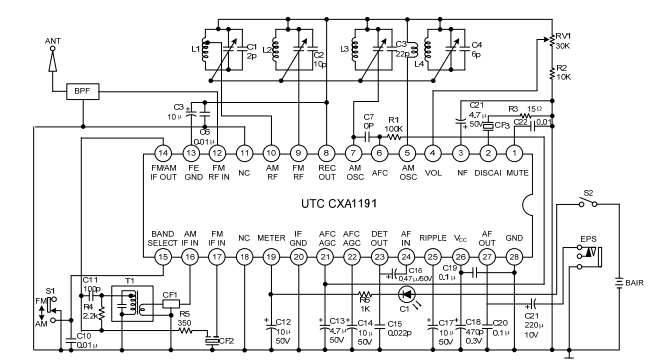
Bár a rádió kapcsolási rajzát nem találtam meg,
a CXA1191-es integrált áramkörét igen.
|
Mindössze egy chipes rádió ide vagy oda, a puding próbája az evés! Míg az AM vétel rendben lévőnek tűnik, addig az FM sávon csak egyetlen adót vesz a rádió, azt viszont normálisan. A potméter recseg, és azon felül is lehet még valahol egy érintkezési hiba, mert a rádió időnként csak úgy egyszerűen elhallgat, viszont némi csapkodásra (ami persze egy ellenjavalt javítási módszer) visszatér bele az élet. |
Részemről nagyon nem vagyok kibékülve az egy
chipes rádiókkal, mert
ezek szerintem inkább csak karikatúrái egy normális készüléknek.
Erre a potméterre annyira ráfért a kenés...
A forgókondenzátorról azért vettem le a gombot,
hátha találok alatta valami
turpisságot (mármint a rádió hiányos FM vételét illetően), de persze nem.
Az IC alsó lábsora közötti panel a háttérfény miatt olyan fura árnyalatú.
FM-en azért vesz már ennyire sok adót, mert
időközben egy kicsit helyrehangoltam.
Mivel nem értettem, hogy mégis milyen sávot vehet, ezért rámértem a
woblerrel.
A forgó nyitott állásában a rádió a 145 MHz-es
sávban vételkész,
vagyis
ezt a készüléket valaki áthangolta a 2 méteres rádióamatőr sávra.
Ebből a rádióból szerintem alkatrészdonor lesz
a rádióépítős oldalamhoz.
Na most ha nem? Na akkor valószínűleg meg már soha semmi...
|
A balra látható papírt a tollak alatt akkor találtam meg, mikor lehúztam egy tételt egy másik listáról. Szóval ha lassan is de, azért haladok. Aztán mikor meglátom, hogy mennyi mindenem hever még mindig bemutatatlanul, valamint hány ilyen (vagy ehhez hasonló) listám van még, na olyankor egy kicsit mindig összeomlok. |
|
A ma bemutatott rádió és a piros Miniplex alatti Ofotért feliratú mappában egy olyan megrendelés van, ami arról szól, hogy csináltattam végre egy nagyon közelre látó szemüveget. Miután elhozom, belenézhetek végre a már említett egyenes rendszerű zsebrádióba. Hogy aztán visszafejtem-e a kapcsolási rajzát, az most még nagyon a jövő zenéje... |
Utóirat:
Aki úgy érzi, hogy fel van iratkozva a
hírlevélre, de nem kapja, az nézze meg
a
Gmail (esetleg Freemail) fiókját webfelület alól. Ott leszek a spam mappában.