Neywa 304 zsebrádió
(nem bírtam a véremmel)
Valós az alcím, hiszen - mint az a képen látható
- ismét
nem bírtam a véremmel.
A telefonhangosító 200
forint volt. Ő nyitotta meg a
piacot. Legalábbis számomra.
A mai cikk tárgya a Neywa 304
kisrádió a
százforintos nénitől. Mint az sejthető, egy
százasomba került. A romos LB37-es
készülékért először sokalltam a 3.000 forintot,
miközben egyre táguló köröket
írva
keringtem az áru körül, Andi meg látványosan
rángatott el onnan. Erre fel
lement az
ára egy ezresre. 1.000 forint pedig - valljuk
be őszintén - akkor is
csábító ár, ha csak a
dobozban rejtőző induktort szeretném
bemutatni.
Merthogy ilyen (vagy ehhez
nagyon hasonló) készüléket régebben
egyszer már mutattam,
de akkor az induktor
boncolása valahogy elmaradt.
Gondolom talán azért, merthogy az nem az én
telefonom volt. Ez viszont
már az
enyém! Majd most nem marad el az
induktorba belenézés.
Szerintem elég volt mára ennyi
a mellébeszélésből.
No persze úgy
sem tudom megállni...
Szerintem ez a rádió szép. Az oroszok talán nem is gyártottak csúnya
rádiót.
Az meg nem
is lehet vita tárgya, hogy a Szovjetunió rádiógyártó
nagyhatalom.
Illetve most
már csak volt. A rádió formája már egészen modern. Hogy
mikor
gyártották, az az alábbi reklámlapból (újságborító) kiderül:

Mivel a rádió az orosz Radio (kb. mint a
magyar Rádiótechnika) 1987-es számának
borítóján mosolyog, ebből gondolva
1987-es gyártmány lehet. Aki nem tudná
elolvasni a rádió
adatait oroszul, de érdekli, itt vannak a számok magyarul:

Az adatok alapján teljesen kommersz hosszú /
közép hullámú zsebrádió. Pont mint
a Signal 304. (a Signal 304 egyébként teljesen ugyanez
a rádió, csak abban óra
is van) A Sokol 407 meg pont olyan (legalábbis külsőre
megegyeznek), mint
a Sokol 310. Olyat meg már szedtem szét. Egyre
inkább úgy érzem, hogy
előbb halok meg, minthogy az évekkel ezelőtt indított,
"szétszedem és
bemutatom az összes rádióm" fedőnevű - nem különösebben titkolt -
tervemnek a végére érnék.
Érdekesen néz ki a skála meghajtása. A recézett dekoráció
mutatja, hogy
a kis gomb
- mint valami fogaskerék - tekeri a nagyot. Gondoltam én...
Persze nem így van, mert a kicsi gomb a hangerő szabályzó. Még
oda is van rajzolva
mellé egy hangszóró. A jobb felső sarokba viszont az van
írva, hogy tuning,
vagyis hangolás. (illetve az ánglius felirat miatt export kivitel) De ha
semerre sem látom, akkor mégis hová tették a hangoló gombot?
Mert innen nézve csak a rádió hord fülének rögzítése látszik. A rádió többi éle
pedig
(az elmaradhatatlan fülhallgató csatlakozótól eltekintve) konkrétan üres.
Rendben van ez így, de bevallom őszintén, hogy meglepett. Persze lehet az volt
a
baj, hogy álmos voltam. Vagy valami más okból szétszórt. Mert egy
hangoló gombot nem megtalálni ennyi rádió boncolása után...
Íme a készülék hátlapja.
Büszke felirat, valamint a gyártó logója s neve.
Az oroszoknál elmaradhatatlan a külső antenna
csatlakozó aljzat, valamint
a hosszúhullám.
Mifelénk ennek a hullámsávnak nincs semmi különösebb
jelentősege, de egy akkora
országban
mint a Szovjetunió, ahol akár száz
kilométerekre nemhogy adóállomás,
de még csak lakott
hely sincs, ott
a hosszúhullám jól jön a
világ végére elérő terjedési tulajdonságaival.
A teleptartó. Mivel nem vették ki belőle
idejében az elemet
(érts még a kilyukadás előtt),
ahogy kell, belerohadt. Maga
az elem már nem, de a befolyás nyomai még jól
láthatók.
Ha már úgyis folyt belőle a trutyi, más dolga
nem lévén,
unalmában megette
a telepcsatlakozó papucsot.
Ment még tovább is. Majd mindjárt mutatom.
Nem feszítem a csavart, csak mutatom, hogy ott
van. Mindezt persze csak azért, mert
a fotómasina azt játszotta velem, hogy
szerinte a fekete alapon fekete fejű csavar,
az nem létezik. Hogy tettem
mellé kontrasztnak valami fényeset, így már látja.
Mivel a doboz háta az egy szem csavar
kitekerése után nem jött le, gondoltam
lennie kell
még csavarnak a rádió másik végében. Benéztem a teleptartóba,
s mint azt sejtettem, igazam lett. A fura színű pötty az oroszoknál csavar.
Illetve ez nem maga a csavar, hanem csak a
csavar fejéhez vezető utat
elzáró plomba.
A plomba amúgy ólomzárat jelent, ez pedig
inkább csak
valamiféle gitt, de ez most mindegy.
A lényeg, hogy kivakarható, és ott rejtezik alatta
a csavar. Mivel a plomba ép volt,
ezt még senki sem piszkálta! Vagyis egy szűz rádió van a kezemben.
Mivel rég elmúlt 18 éves, már nyugodtan belepiszkálhatok.
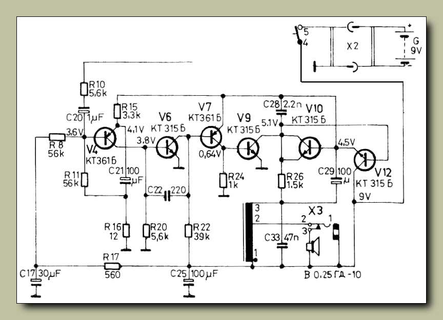
Szép kis szerkezet, de nézzük csak meg alaposan a kapcsolási rajzát. Már
persze
csak azért, mert mégis mi az, hogy csak egy darab trafó van a végfokban?
Olyasmi végfok volna benne, mint mondjuk az
Orionton táskarádióban?
A csak fázisfordító trafós megoldás, az már régen kiment a divatból.
Íme a "hogyan szerkesszünk olvashatatlan rajzot
halálos mennyiségű vodka bevitele
után"
bajnokság győztes pályamunkája. Le a kalappal! Nagyon állatra sikerült ez
a
rajz!
A rádiófrekvenciás fokozat egyes részeinek összefüggései konkrétan
kibogozhatatlanok. Ez a több körös, többszörösen késleltetett AGC,
ez
valami
varázslat! Az, hogy V3 tranzisztort elhúzták a helyéről lefelé és
hátra, még a
szakavatott, rajzolvasáshoz szokott szemet is megzavarja.
Azt pedig,
hogy a
bemeneti fokozat differenciálerősítő-e vagy sem, fejtse
meg aki ezt így
kitalálta!
Ami vonalat felül látunk végigvonulni a HF erősítő
felett, az nem a
tápfesz,
hanem a kimenet. Nézzük meg közelebbről ezt a trükköt:
Leradíroztam a rajzról a szemet megzavaró felesleges
részleteket. A felül véget érő
vezeték
jön a hangerő szabályozó potméter
csúszkájáról, ez az erősítő bemenete.
Az erősítő
felső tápfeszültség
vonala nem az, amit elsőre annak néznénk, hanem
az a rajz alján végigfutó
vonal. A végtranzisztorok nem egymás feletti, hanem
egymás melletti (illetve
egymással
szembeni) ábrázolása
felteszi a rajzoló
fejére a koronát. Mindeközben szegény V10-es
tranzisztor diódának van
kötve. Hogy miért kimenőtrafó
van (ami amúgy
csak
egy szintillesztő
autótrafó), miért nem nagyohmos hangszóró (ha már
mindenképp
a helyes illesztés a cél), na az számomra rejtély.
Mint ahogy azt sem értettem elsőre, mégis hogyan előzhetett meg bárki is, egy a
rádió
belsejében található csavar kitekerésében. Hiszen én szedtem le a dobozt
összetartó
csavarról a plombát! Persze minden rejtélyre van megoldás. Jelen
esetben a tettes
rezonancia őnagysága. Ez a némber oly piszkálódós fajta, hogy
mindenkit kihoz
a sodrából! Persze a valóság az, hogy kimaradt a gyárban egy munkafázis.
Nem lett a csavar elfordulás ellen festékpettyel rögzítve. Történhetett
ez
például azért is, mert éppen nem volt raktáron festék. Vagy
mert túl sok volt a műszak
előtti (alatti) vodka bevitel.
A csavar egy olyan állatfajta, hogyha rezegtetik,
akkor beidegesedik, majd mérgében
kiszabadítja magát.
A hangszóró mágnese viszont megfogja.
Kicsivel később
megtaláltam a panelt rögzítő
másik, jelen képen a bal alsó
sarokban
nem látható kettes számú csavart is.
A kíváncsi tekintetet szép rend és egy marék
színjelzésű NDK ellenállás fogadja.
A menetek a következő miatt kócosak: Valaki
kitekerte az egy szem látható csavart,
majd elkezdte szétfeszíteni a rádió
dobozát. Ugyan (szerencsére) nem fért hozzá
az alkatrészekhez, de a doboz
szétfeszegetése közben a csavarhúzó találkozott
a modulátor tekercs meneteivel. Avatatlan kéz több kárt csinál mint hasznot.
Ugyan az összes látható panelt rögzítő csavar
kirázódott a helyéről, de a panel
még mindig
kifejezetten masszívan áll a dobozban. Beakadós pöcök sehol!
Tehát lennie
kell
valahol még egy csavarnak. A harmadik paneltartó
csavar a kép közepétől egy
kicsinyt balra látható. Illetve nem,
de majd én mindjárt megmutatom.
A sliccükből ítélve ezek ketten néznek ki
csavarnak. A bal oldali persze nem az,
hiszen ő az antennacsatlakozó aljzata. Az oroszoknál már csak
ilyen furcsa formájuk van az alkatrészeknek.
Onnan lehet őket megkülönböztetni, hogy a
csavarnak (balról lógatom be a képbe)
slicce
van, ellenben az antenna csatlakozó aljzatnak hosszú vájata. Ez utóbbi
szolgál
arra, hogy mint egy rugó megfogja a beledugott mini banándugót.
Biztos írtam már, de ettől még újfent
elmesélem. Én úgy tervezek panelt, hogy alul
egy
vonal a test, felül egy vonal a tápfesz, köztük meg szépen sorban az
alkatrészek.
Tulajdonképpen a kapcsolási rajz kötőpontjait ültetem át a panelre, majd szépen
összehuzalozom őket a rézfóliával. Ezzel szemben az oroszok elrendezik
az
összes alkatrészeket a panelen, majd a másik oldalon összekötik amit
össze kell
kötni.
Ettől a hozzáállástól természetesen olvashatatlanok
lesznek az így készült
panelek. Persze
ez mindegy. Legalábbis egészen
addig az, míg az ember neki nem áll rajz nélkül
javítani
egy ilyen panelt.
Mert akkor vagy nagy pufogás lesz, vagy elő kell kaparni a
készülék eredeti
dokumentációját. Utóbbiban (mármint dokumentációban) az oroszok nagyok
voltak! Nem csak hagyományos kapcsolási rajzot adtak a készülékeikhez,
hanem nyomtatási, beültetési, mérési segédletet is. Sokszor még
a KF tekercsek és a HF trafók menetszámát is megadták.
Íme a skáladob végletekig leegyszerűsített
formája, mégpedig orosz módra.
A karocska
a csavarral a rádió forgókondenzátorának tengelyére van
rögzítve.
A kar másik végén található lyukba illesztendő...
...a forgatógomb hátuljából kilógó, a képen
piros nyíllal jelzett pöcök.
Nem tudok belekötni,
mert nemcsak, hogy rém egyszerű
megoldás, hanem még tökéletesen működik is.
A potméter gombja sem hagyományos megoldás. A
Sokol rádió gombjáról idővel
(ez a valóságban túl hamart jelentett) lekoptak a recék. A tengely kikopott,
lógni kezdett a gomb. Az oldalirányú koptató erőket egy huszár, akarom
mondani kozák vágással kiütötték a játékból, mégpedig az itt látható
ügyes megoldással. A potméter gombján csak egyetlen rica van.
Ez illeszkedik a jobb felső sarokban látható valódi forgatógomb hátuljába.
A hangszórót rögzítő csavarok nem tudnak
kihullani, mert konkrétan nincsenek.
Az előlapi díszrács tartófülei a hangszórót is megtartják a helyén.
Ezt már részben mutattam. Mivel nem szakadt el a huzal, nincs vele dolgom.
Nem biztos, hogy jó ötlet a zárt Jack aljzat.
Ha kontakthibás lesz, a felhasználók
(tipikusan
bácsikák) hajlamosak mindenféle nem odavaló dolgokkal, illetve nem
a megfelelő
irányból
megpróbálni a tisztítást. Már úgy értem, hogy kívülről és
gyufával. Vagy éppen
vattás végű
fültisztító pálcikával. Amely (pláne
kapcsolós) jack aljzat mindezek után még
érintkezik...
Ha már úgyis érintkezési hibánál tartunk,
álljon itt elrettentésül ez a gyönyörű példány.
A 9 voltos elemből kifolyt a trutyi, ami az akkupapucson mint akadályon
sikeresen
átjutva bejutott az elem negatív pólusát a panelre kötő vezetékbe. A réz szálak
mentén végigkúszott a műanyag szigetelésben, majd a vezeték immáron másik
végén kibújva, tőben szétette az anyagot, illetve a forrasztást. Juj de
utálatos...
Szóval ezért nem szólalt meg a rádió a telepcsatlakozóra kötött tápegységtől.
Miután a leszakadt vezeték helyett a krokodilcsipesszel a panelra csatlakoztattam
a
tápfeszültséget, rögvest rendben működik a rádió.
Ezt az elemet a minap dobtam ki a kisvödrömbe,
s mint az látható,
egyrészt a csatlakozót
az elemből, másrészt magát az elemet
a kisvödrömből már szerzem is vissza.
A vezetékek egy lyukon átfűzve, s úgy
beforrasztva, sokkal tovább tartanak.
De ezt már rengetegszer mondtam...
Az oroszok egyik általam nem különösebben
kedvelt szokása, hogy nem húzzák
egymás
mellé a panelen fóliacsíkkal a tápfeszültség csatlakozó pontjait. Az egyik
drót
sokkal
hosszabb kell legyen, mert az közvetlenül a kapcsolós potméterre
van
ráforrasztva.
Mivel ezt a galádságot ismét elfelejtettem, kötést voltam
kénytelen létrehozni
a pozitív ágon. Ennél nagyobb bajom sose legyen!
Szokásos kép a kieső alkatrészekkel és az elmaradhatatlan
"ti már nem jöttök velünk tovább" szöveggel.
Úgy néz ki, illetve hallatszik, mintha rendben lenne, de nem. Valószínűleg
valami
bibi van
az AGC áramkör körül. Ha úgy állítom be a hangerő gombot, hogy halljam
a
távolabbi
adókat, akkor a skála elejére tekerve a Kossuth üvölt. Az AGC-nek
épp az
volna
a feladata, hogy ez ne legyen így. Persze annyira nem érdekel
a probléma,
hogy
megkeressem az okát. Úgy sem fogom hallgatni
ezt a rádiót. Ha meg igen, akkor úgyis csak a Kossuthot.
Szia Pajtás! Már úgy értem, hogy most úgy
elteszlek,
hogy talán soha többé nem látjuk egymást.
Utóirat:
Aki úgy érzi, hogy fel van iratkozva a
hírlevélre, de nem kapja, az nézze meg
a
Gmail (esetleg Freemail) fiókját webfelület alól. Ott leszek a spam mappában.