Rádiók kapcsolási rajzai

A 8 Moszkvics

AIWA AR 666

Alfa lengyel


Amrad Hétvezér

Arrow M 004

AS Audio Sonic R 9

BEAG Sterra AYT 205

Beethoven

Bellatrix NDK

Beloiannisz 228 A

Beloiannisz 228 B

Beloiannisz A 117

Blaupunkt 6W69

Braun Super 4640 W

Braun Super 5640 W

Cosmos M

Crown 9

Crown TR 680 A

Echo 141

Echo 2 bolgár

Echo 241 U

Echo 241 V

Echo 241

Echo 341 V

Echo 441 t1

Echo 441 t2

Echo 441 v

EKA 319

EKA 413 u

EKA 413

EKA 414 1

EKA 414

EKA 434 t

EKA 435

EKA 436

EKA 437

EKA abc szuper

EMV tunde 1

EMV tunde 2

EMV tunde

Etud 2

Eumig 530 w

FFV RT 467 sonett

FMV gulliver

FMV gullivox

FMV lilliput b

FMV sztrada

FMV tr 65 szekesfehervar

FMV tr 651 omnibusz

FMV tr super

FMV tr v super

FMV vertes bakony

Global

Guliver lengyel

Havel

Hit Parade

Jupiter szu

Körting Cortina

Korting Novum 4 GW

Korting Novum 40 W

Loewe Opta 540 GW

Lossnitz

M 10 Melodia bolgár

Mechanikai labor zenegép

Meiningen

Meridian 235

Micro Boy 300

Mikki 2 szu

Minetta

Minor lengyel

Mechanikai Laboratórium R-1250

Mraoe 1941 tv

Mraoe 1941 vv

MRC 1941

National r 72 s

National sg 545

Neywa szu

Nora 26W Rheingold

Okean 214 gyári füzet valamint egy másik leírás

Orbita 2

Orion ST240 tuner (komplett leírás és rajzok)

Orion 022

Orion 044 b

Orion 044

Orion 045 u 1

Orion 045 u

Orion 055 u

Orion 055 v

Orion 055

Orion 088 b 288 b

Orion 088 b

Orion 099 999

Orion 100

Orion 115 a

Orion 115 b 313 b

Orion 122 202

Orion 122

Orion 130 a

Orion 133 b 1

Orion 133 b

Orion 140 a

Orion 144 1

Orion 144 b 1

Orion 144 b

Orion 144

Orion 146 1

Orion 146

Orion 155 1

Orion 155 u 1

Orion 155 u

Orion 155

Orion 166 1

Orion 166

Orion 177 1

Orion 177 a

Orion 177 u

Orion 177

Orion 202 b 302 b

Orion 217 b

Orion 22 u

Orion 22

Orion 221

Orion 222 1

Orion 222

Orion 227 a

Orion 228 a 227 u

Orion 228 u

Orion 230 a

Orion 230 b

Orion 232 233

Orion 232 u 233 u

Orion 239 a

Orion 243 244 Telefunken 1 t 64 v

Orion 244 b 344 b Telefunken 4 t 61 b

Orion 246

Orion 247 447

Orion 255 u

Orion 255

Orion 266 366

Orion 277 u

Orion 277

Orion 288 388 488 888

Orion 299

Orion 30 b 033 b

Orion 30 u

Orion 300 b

Orion 302 b

Orion 309 Philips 309 a

Orion 311

Orion 313 l 443 g

Orion 313 Telefunken 313 nr

Orion 320 b

Orion 320

Orion 323 323 u

Orion 324

Orion 325 216 a

Orion 33

Orion 330 331

Orion 332 b

Orion 332

Orion 333 519 a 915

Orion 333 b 519 b b 915 915 b

Orion 333 u 1

Orion 333 u 2

Orion 333 u

Orion 333

Orion 339

Orion 343 344

Orion 344 b

Orion 355 Telefunken 1 t 75 v

Orion 355 u 355 ug Telefunken 1 t 75 u

Orion 355 u

Orion 355

Orion 366

Orion 377 477

Orion 377 u

Orion 377

Orion 388

Orion 411 511 811

Orion 418 a 814

Orion 420 a 1

Orion 420 a

Orion 420 u

Orion 429 ut tu 924

Orion 44 u

Orion 44

Orion 440 b

Orion 440

Orion 441

Orion 442 g

Orion 442

Orion 443 711 a a 117

Orion 443 u 711 u tu 117

Orion 444 b

Orion 444 u

Orion 444

Orion 449 g

Orion 449

Orion 450 m

Orion 455 u

Orion 455

Orion 466 566 766

Orion 477 u

Orion 50 b

Orion 520 a

Orion 520 b

Orion 55

Orion 550 b 551 b

Orion 555 Telefunken mesterszuper

Orion 56 u

Orion 56

Orion 66 Telefunken 338 v

Orion 77 977

Orion 779

Orion 820 a

Orion 838 812 at ta 218

Orion 844 g 845 g

Orion 844 u

Orion 844

Orion 846 g 849 g

Orion 88

Orion 881 882

Orion 933 u 1

Orion 933 u

Orion 933

Orion 944 b

Orion 955 u

Orion 955

Orion 99

Orion ab 701 br 701

Orion ar 201

Orion ar 205

Orion ar 301 ar 302

Orion ar 303

Orion ar 304

Orion ar 305

Orion ar 306

Orion ar 311

Orion ar 312

Orion ar 321

Orion ar 511

Orion ar 512

Orion ar 601

Orion ar 602

Orion ar 604

Orion ar 612

Orion ar 612 Pacsirta (extra 0,5 mega)

Orion ar 701

Orion ar 702 f - - - service manual

Orion ar 702

Orion ar 704

Orion br 201

Orion br 211

Orion br 301

Orion br 311

Orion falurádió

Orion tb 915

Orion ur 103 Pajti

Orljonok 605

Orljonok

Philips 15 rl 312 Philetta


Philips 15-RL 517/OOB

Philips 208 u


Philips 209 u

Philips 22 u Orion 011 u Telefunken 140 u Standard 2010

Philips 22 v Orion 011 Telefunken 140 v Standard 2011

Philips 304 a pajtas

Philips 31 u

Philips 31 v

Philips 32 b Telefunken 340 t

Philips 32 u

Philips 32 v

Philips 33 b

Philips 349 a gonduzo

Philips 349 u gonduzo u

Philips 36 u 37 u 38 u

Philips 404 a 494 a jobarat

Philips 41 b 42 b

Philips 42 u

Philips 42 v

Philips 43 b Telefunken 441 t

Philips 43 b

Philips 43 u 43 lu

Philips 43 u

Philips 43 v 43 lv

Philips 43 v

Philips 450 a 550 a

Philips 450 u 550 u

Philips 494 u jobarat u

Philips 504 a mestermu

Philips 51 vr

Philips 53 u Telefunken 341 u

Philips 53 u

Philips 53 v 53 gv

Philips 53 v

Philips 548 a

Philips 548 u

Philips 56 a 57 a 58 a

Philips 56 a

Philips 56 b 57 b 58 b

Philips 56 b

Philips 61 vr

Philips 62 vr

Philips 63 vr 63 gvr

Philips 63 vr

Philips 648 a 648 ga

Philips 650 a 650 ga

Philips 650 u

Philips 66 a 67 a 68 a

Philips 66 a

Philips 66 b

Philips 66 u 67 u 68 u

Philips 66 u

Philips 750 vr

Philips 77 a 77 ga

Philips 81 v

Philips 82 vr 82 k

Philips 83 vr 83 k

Philips 850 vr 950 vr 1

Philips 850 vr 950 vr

Philips 86 a 96 a

Philips 90 as 92 service manual

Philips 90 rl 073

Philips 90 rl 074 077

Philips 90 rl 106

Philips europa u

Philips europa w

Philips L3G45T service manual

Philips luxus szuper

Philips matador

Philips olimpia u

Philips olimpia w

Philips regent 938

Philips regent u

Philips szuper triumph

Philips ultra szuper

Philips windsor

Philips york u

Philips york w

President grant

R 165 melodija

R1-től R8-ig

R20

R 326 katonai vevo

Radio Compass 300

Radio Compass 301

Radio Compass 302

Radio Compass 303

Radio Compass 304

Radio Compass 305

Radio Compass 306

Radio Compass 307

Radio Compass 308

Radio Compass 309

Radio Compass 311

Radio Compass 401

Radio Compass 402

Radio Compass 403

Radio Compass 404

Radio Compass 405

Radio Compass 406

Radio Compass 407

Radio Compass 408

Radio Compass 409

Radio Compass 410

Radio Compass 411 u

Radio Compass 412

RFT Robotron Progress RR-1201, Stralsund RR-1211

Riga 103 szu

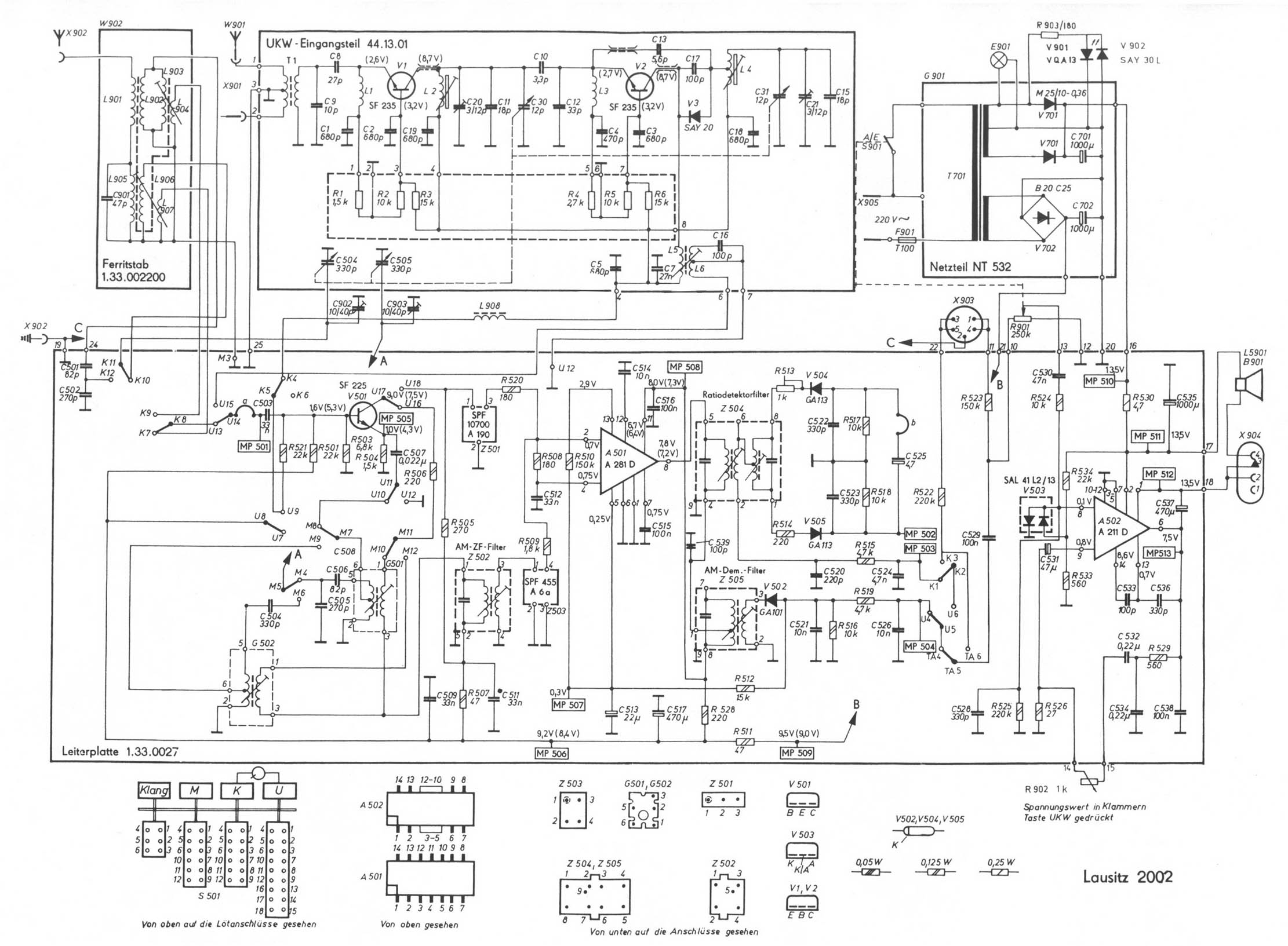
Robotron Lausitz 2002

Románc

Rossija szu

Rytmus lengyel

Sanyo 6C 337

Sanyo 6C 368 6C 341

Sanyo RP 1130

Sanyo TH 632

Schaub WS 40 GW

Schaub WS 40 W

Selga 402 1

Selga 402

Selga szu

Sharp BP 117

Siemens 342 u

Siemens 342 v 343 v

Siemens 343 u 344 u vikert 344 u 346 u

Siemens 343 u

Siemens 344 vl 348 vl vikert 347 vl

Siemens 349 u

Siemens 349 v

Siemens 350 u

Siemens 442 t Philips 550 b

Siemens 442 v 443 v

Siemens 444 v 448 v vikert 447 v

Siemens 542 t Philips 650 b

Siemens 542 v 542 vgr

Siemens 543 544

Siemens 543 v

Signal 601

Signal szu

Sokol 4

Sokol 403

Sokol

Sonata szu

Sony TR 1823

Sport 2 (szovjet)

Standard 4455 a EKA 487

Standard 4733 EKA 485

Standard automata szuper 2055

Standard champion szuper 844

Standard csucsszuper 4256

Standard darling EKA reform

Standard elit szuper 4233 EKA 424

Standard elit szuper u 4230 EKA 424 u

Standard extra 822 EKA 218

Standard extra szuper 4222

Standard extra u 820 EKA 218 u

Standard favorit szuper 2033

Standard grandszuper 855 EKA 528

Standard harmasszuper 3033

Standard harmasszuper 4333

Standard harmasszuper u 4330

Standard harmasszuper

Standard ideal 1022 EKA 219

Standard ideal u 1020 EKA 219 u

Standard imperator 777

Standard kisszuper 3022 EKA 413

Standard kisszuper u 3020 EKA 413 u

Standard kisszuper u

Standard kozepszuper

Standard luxusszuper

Standard nagyszuper 1

Standard nagyszuper 4355

Standard nagyszuper u

Standard nagyszuper

Standard negyesszuper EKA 436

Standard prima 2022 EKA 2140

Standard prima u 2020 EKA 2140 u

Standard princ 722

Standard sr f 408

Standard srh 741 l

Standard szuper 1

Standard szuper 36 u

Standard szuper 36

Standard szuper 37 733

Standard szuper 38 833

Standard szuper 39 1044

Standard szuper 39 u 1040

Standard szuper 40 u

Standard szuper 40

Standard szuper 41 u

Standard szuper 42 EKA 427

Standard szuper 42 u

Standard szuper b 800

Standard szuper bx 1000

Standard szuper by 1

Standard szuper by

Standard szuper szuper 1055

Standard telepszuper 4200 EKA 424

Standard telepszuper EKA 434

Standard universum super 850

Standard univerzalis kisszuper eke 443

Standard univerzalis torpeszuperm 4433 lorenz

Standard valtoaramu kisszuper

Star

Stassfurt

Sylwia lengyel

Technics ST-X999

Telefunken 754 v

Telefunken 055 v Siemens 350 vl

Telefunken 065 v Siemens 350 v

Telefunken 143 gw

Telefunken 2 b 54 gwk

Telefunken 2 t 64 u

Telefunken 2 t 65 v

Telefunken 237 238 v

Telefunken 237 u 238 u

Telefunken 239 u

Telefunken 239 v

Telefunken 240 v

Telefunken 240u

Telefunken 241 u

Telefunken 241 v

Telefunken 241

Telefunken 2t 64b

Telefunken 2t 64v

Telefunken 2t 65v

Telefunken 2t 85v

Telefunken 3 t 64 u

Telefunken 3 t 65 v 65 vgr

Telefunken 3 t 66 v

Telefunken 339 v

Telefunken 340 v

Telefunken 341 1v

Telefunken 341 t

Telefunken 341 u

Telefunken 341 v

Telefunken 437

Telefunken 439 t

Telefunken 439 v

Telefunken 440 v

Telefunken 441 t

Telefunken 441 v 441 vgr

Telefunken 441 v

Telefunken 538 v

Telefunken 539 v

Telefunken 540 v

Telefunken 541 v 541 vl

Telefunken 541 v

Telefunken 541 vl

Telefunken 754 u

Telefunken 8165 9165

Telefunken 864 u 954 u 964 u

Telefunken 864 v

Telefunken 865 v

Telefunken 913 wk

Telefunken 954 v 964 v 965 v

Telefunken 965 gwk

Telefunken 965 wk

Telefunken bajazzo sport 3591

Telefunken nepvevo

Telefunken regos

Terta 1004 1 valtozat

Terta 1004 2 valtozat

Terta 1027

Terta 1042 Orionton

Terta 1051 ukw superton

Terta 325 b

Terta 325

Terta 328

Terta 331

Terta 406

Terta 425 b

Terta 425

Terta 426

Terta 528 mg

Terta 528

Terta ba 408 f

Terta minOrion belgame

Tesla 2105 b 2 spider

Tesla 444a2 duetto

Tesla 503 513 omikron

Tesla 523A ECHO

Tesla sputnik 320a

Tesla Mambo 2816b

Toshiba RC-803F

Tungsram 151

Undine


Unitra amor contessa dominik junior

Unitra Dorota IC

Unitra Elizabeth dsh 101

Unitra as632 tuner (gyenge rajz, alig olvasható)

Vadásztöltény 545 b

Vadásztöltény b 646

Vadásztöltény r 545

Vadásztöltény r 636 r 646 velence

Vadásztöltény r 646 n velence

Vadásztöltény r 656 balaton

Vadásztöltény r 736 fehervar

Vadásztöltény r 846 856 diadal

VEFf 10

VEF 12

VEF 204 szu

VEF 206 (belső vázlatrajzzal)

VEF 221 222

VEF 242 Spidola

Videoton b 037 f

Videoton b 137 f

Videoton b 237 f service manual

Videoton b 3100 strand b 3110 fecske

Videoton b 646 v - - - service manual

Videoton b 746 fehervar telepes

Videoton b 858 szimfonia telepes - - - service manual

Videoton br 103 camping

Videoton br 1064 2 Orionton

Videoton br 1064 Orionton

Videoton br 71 br 711 weekend

Videoton bzs 51 madison

Videoton e 035 f service manual

Videoton ea 53 f service manual

Videoton ea 64 f

Videoton ec 44

Videoton r 035 f

Videoton r 045 f

Videoton r 4010 dallam

Videoton r 4100 junior

Videoton r 4300 harmonia

Videoton r 4330

Videoton r 4350

Videoton R 4360 velence de lux

Videoton R 4400 - - - service manual

Videoton R 4430 szimfonia de lux

Videoton R 4930 service manual

Videoton R 4932

Videoton R 5700

Videoton R 5932

Videoton R 629 - - - service manual

Videoton R 636 C velence

Videoton R 636 F velence

Videoton r 636 h velence

Videoton r 636 hf velence

Videoton r 736 a fehervar

Videoton r 736 f fehervar

Videoton r 822 tihany

Videoton r 856 f diadal

Videoton r 8668 f diadal - - - service manual

Videoton r 926 a dalia

Videoton r 926 badacsony

Videoton R 946F 1 szimfonia

Videoton R 946F 2 szimfonia

Videoton R 946F service manual

Videoton R 999F

Videoton R 999F service manual

Videoton RA 2103 szatmar

Videoton RA 2301 napoly

Videoton RA 3321 fured

Videoton RA 4312S g

Videoton RA 4324S RT újságban megjelent leírás, Sztereó rádiók szervizkönyve

Videoton RA 6350 S AIDA

Videoton RA 6360S

Videoton RA 6363S

Videoton RA 6380S cleopatra

Videoton RB 1601 miniszuper

Videoton RB 1601 k miniszuper

Videoton RB 2602 siraly

Videoton RB 36 01 04 h lido

Videoton RB 4602 Sirius gépkönyv és kapcsolási rajz

Videoton RC 4623 Pluto

Videoton RB 3604 b lido

Videoton RD 3603 h

Videoton RD 3603 r

Videoton RD 3614

Videoton RD5686 5687 magnós autórádió

Videoton RM 4620 76

Videoton RM 5632s rádiós kazettás sztereó magnó

Videoton RT6303s EA6383s (a rádió, és a hozzávaló erősítő) a rádió gyári füzete a rádió alaplapja és a modulok rajzai

Videoton RT7300S

Videoton Teenager

Wartburg NDK