Meridian 201 táskarádió
(Valahol a VEF és a Sport között)
Legyen ma ez a rádió, ha már egyszer ezt ígértem
meg magamnak.
Legalább lesz
egy újabb befejezett polc.
Jóleső érzés leírni a képen szereplő tárgyak nevét,
majd csak úgy egyszerűen beszúrni a cikkekhez
vezető linket.
Már úgy
értem, hogy a power HF
generátorom, a millivolt mérővel kombinált
generátorom,
és a lengőnyelves hangszórós kisrádió
is szét volt
már szedve. Egyszer csak kikerekedik ez az egész valami,
valami, valami... Valamivé csak kerekedik egyszer!
Ez egy nagyon szép kis rádió, bár igazándiból nem is olyan kicsi.
Nézegettem egy
jó darabig még odakint a piacon, majd arra a következtetésre
jutottam, hogy
felépítésileg valahol úgy a Sport
és a VEF rádió között lehet. Maga a rádió
van
olyan nagy, hogy akár dobváltó is
lehetne benne. Részemről mikor
mondjuk azt látom, hogy
Meridian 201 a név, na olyankor mindig
az jut eszembe,
hogy vajon
milyen lehet a Meridian 202 típus.

Nos ilyen. Szerencsére ebből nincs itthon, így
nem kell visszajönnöm beszúrni
a linket. Persze ami késik, az nem múlik. Ezt úgy értem megeshet, belebotlok
egy ilyen rádióba, s amekkora barom vagyok, el is hozom magammal haza.
Megpróbáltam lefényképezni vakuval, de
becsillan a fényes részek miatt.
Persze ha fényes részekről van szó, akkor ez a rádió labdába sem rúghat!
Legalábbis emellett nem.
Ez a Radar Matic rádió
ugyanis annyira
fényes,
hogy ez szinte már csakis csillogó darabokból van.
No de térjünk vissza a Meridianhoz. Szép skála.
Hosszú, közép, valamit négy rövidhullámú sáv.
Kissé kilóg a megszokott képből ez a címke. Szinte
virít a piros a feketén!
Az oroszokra egyáltalán nem jellemző, egy ilyen szép szín kikeverése.
Bár ennek ellentmond, a gyárilag metál-bordó Verhovina mopedem.
Gondolom úgy történhetett, hogy időnként elromlik a színkeverőgép.
Először azt hittem, hogy lekopott innen a felirat
közepe. De nem! Persze értem én.
Hat hullámsávos. De minek kellett odakarcolni azt a "P" betűt?
Nem értem...
A hangerőgomb jele mára már szinte teljesen lekopott. Az
előbbi "P" mellé kapott
az előlap egy
kósza "K"-át. Az apró fehér pettyek pedig
akkor keletkeztek,
mikor
a rádió gazdája vissza Epokitozta a helyére az egyik gombot.
Néha csak nézek ki a fejemből, hogy mit is akartam mondani az
adott képpel.
Ezzel például azt, hogy a rádió fülébe van rejtve az
antenna,
éppen úgy, mint
mondjuk a VL100-as tévénél.
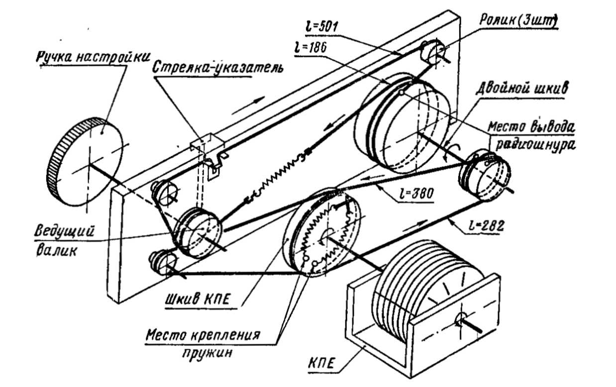
A rádió oldalán van a sávváltó gomb. Kíváncsi vagyok, dobváltó van-e benne.
A rádió alján van a teleptartó fedele.
Ez azért
"jó", mert ha elveszik,
onnantól fogva menthetetlenül kiesnek az elemek a rádióból.
A rádió ugyan 9 voltos, de nem
9 voltos elem
való bele, hanem 6 darab 1,5 voltos
egy elemtartóban, csak az nincs meg. Ilyen esetekben jön jól, hogy az
oroszok
előszeretettel alkalmazták a teleptartó és a rádió közötti csatlakozásra
a 9
voltos elem csatlakozóját. Így ha elveszett vagy elrohadt a teleptartó,
egyből rá lehet dugni a készülékre egy 9 voltos elemet.
Persze azzal nem fogja olyan sokáig bírni.
Kicsit lentről fotóztam, mert a valóságban nem tartanak össze a vonalak.
3 IC van benne. 9 voltos feszültségről működik. Fél
wattnál
is hangosabb. Van belül
ferrit antenna, mégpedig
minden sávra. Ez utóbbi azért
érdekes, mert a
rövidhullámok vételére sokszor csak a botantenna szolgál.
SW IV. 11. óra, angol. De hogy ezt miért
kellett egy papírdarabkára írni,
majd a készülék hátára ragasztani, azt sajnos már sosem tudjuk meg.
Értem. A, vagyis arra van az antenna. No de ez
akkor is egy meglehetősen szokatlan jelölés.
Ha a rádiót leföldeljük,
akkor a banándugótól
majd jól
nem lehet SW-1 állásba kapcsolni a hullámváltót.
Azért jó a bordázott palást a forgatógombokon,
mert így jól meg lehet őket fogni.
No meg lesz egy rétegelt gyűjteményünk az ujjaink végén valaha előfordult
koszból.
Ez van belül a forgatógomb másik oldalán.
Kisdobos becsszóra ígérem, hogy nagyon fogok vigyázni a skálahúrra!
Leszedtem az összes gombot, mert ezek mennek a mosásba.
Ez olyan undok dolog...
Négy csavar tartja össze a készüléket, de nem ám egyforma
hosszú. Olyan csúnya
tud lenni, mikor a rádiót barkácsoló tulaj nem, vagy nem jól
jegyezte meg, hogy
melyik csavar hol volt, és mikor betekeri a hosszút a rövid
helyére, az kijön a
rádió előlapján. Persze ez nem egy akkora gond, ilyenkor
kap a rádió egy
szép nagyfejű csavart. Aztán, mikor a rádió legközelebb
idejut reparálásra,
látszik, hogy a gazdája a lyukat eltüntető csavart
is
képes volt addig
tekergetni, hogy kifodrosodott benne a slicc.
Ha a készülék hátát megbordázzuk, jobb
lesz a rádió fogása, kevesebbszer esik le.
Könnyebb is lesz a hátlap, és
masszívabb is. Mindezekért az előnyökért
cserébe, szinte kipucolhatatlanul megőrzi számunkra a
koszt...
Nincs benne dobváltó.
Felépítésben inkább a
Sport rádióra emlékeztet, mint a
VEF-re.
Az oroszok kedvelt szokása, hogy különösen
jó dokumentációt adnak a
készülékeikhez.
Ez például egy amolyan "mi hol van a rádióban" ábra.
Ezen felül természetesen van egy másik rajz is, a
panel beültetéséről,
hogy tudjuk melyik alkatrész merre található.
Majdnem mint az előző rajz, csak ez a panel
fóliás oldalát mutatja.
Javításkor nagyon jól tud ám jönni egy ilyen!
A fehér téglalap egy IC. Mit ne mondjak, tudnak tokozni az oroszok...
És ha kell, egészen a narancssárgáig képesek fokozni a dolgot!
Valamint az is tény, hogy csakis az oroszok képesek ennyire randa
piezo kerámia szűrőt készíteni. (lásd a fehér téglatestet)
Persze miért is ne tehetnék, ha tavasztündér is
szippanthat varázsgombát,
minekutána sárga alapon fekete kockás, pettyekben erősen
túltengő katicabogarak szabadulnak rá a világra.
A panel szélén sorakoznak a rövidhullámú sávok oszcillátor tekercsei.
Ha kicsi is, de azért légforgó. Szép fényes
csapágygolyókkal!
A forgótól balra az a fehér valami, na az sem egy szokványos alkatrész!
Ez kérem egy darab bordázott műanyag, ami
kifejezetten kábelvezetőnek
lett idetéve.
Ilyet sem nagyon láttam még rádióban!
Ahogyan az szokás, a hangerő potméter végén van a power kapcsoló.
Ezzel a kapcsolóval az a baj, hogy mikor kontakthibás
lesz, akkor nem férünk hozzá
az érintkezőihez.
Persze van két csavar a végén, de akkor is képtelenség
szétszedni.
Illetve ha szétszedni talán nem is, no de összerakni...
Pedig még bekötési rajz is van hozzá.
Aki nem látja át elsőre, hogy mi van a képen,
az nagyon vigyázzon a következő reinkarnációnál, nehogy pókként szülessen újra.
Ugyan nem lett volna feltétlenül szükséges
levenni a rádió fülét, de mikor kitekertem
az antennát tartó csavart, ami egyben
a fogantyú egyik oldalát
is tartotta, már csak egy csavar volt hátra.
Ez itt az előlap belülről. Semmi érdekes. Illetve csak
annyi, hogy a rádiót a dobozból
kiemelve,
a rádió részben marad a hangszóró, nem
pedig az előlapban. Ez egyrészt
nagyon jó, mert így
nem rángatjuk javítás közben a
hangszórót a kábelénél fogva,
másrészt pedig
nem annyira jó, mert a belső keretben maradó
hangszórótól
nem
férünk hozzá teljesen szabadon a panel fóliás oldalához.
A két nagyobb a végerősítő tranzisztor, a
kisebbek pedig az őket meghajtók.
Nézzük csak meg közelebbről, hogyan is van ez kapcsolási rajz szinten.
Azt kell rá mondjam, hogy ez valami egészen
borzasztó! Valószínűleg egyedül
az oroszok képesek olyan integrált áramkörös végfokot konstruálni,
amiben
több alkatrész van, mintha egyszerűen csak diszkrét alkatrészekből állna.
Mániájuk a két ferritrúd! Persze érthető miért
van így. Nem tanácsos a rövidhullámú
modulátor ferritjére rátolni a
hosszúhullámú modulátor tekercset, mert az az
induktivitásánál és az
önkapacitásánál fogva rövidhullámon rövidzárként
viselkedik. No meg miért is ne legyen belőle kettő? Hely van bőven!
Könnyedén elférnek ketten is a dobozban.
Persze ha kicsi a rádió, az sem
akadály, lásd például az Orljonokot. Már megint
jöhetek vissza beszúrni a linket...
Olyan jól van dokumentálva ez a rádió, ráadásul
minden szépen feliratozott, hogy
szinte kedve
támad az embernek darabokból
összerakni. Az oroszoknál sokkal
több volt
a boltokban az elektronikai kit
(összeépítős valami), mint nálunk.
Például nekem van is ilyen általam apró
darabokból
összerakott
rádióm, meg olyan is, amit valaki
más rakott össze.
Engem ez a rádió erősen a VEF-re
emlékeztet.
Meglehet, hogy ezt
csak a
fekete színű váz, valamint az ovális hangszóró teszi.
Putty! Egy ónpaca.
Nem volt útban, de attól én még lepiszkáltam.
A hangszóró lengőjének papír csévéje
egy kissé szamárfüles.
Amíg nem ér hozzá semmihez, addig persze nincs baj.
Ezt a rádiót már piszkálta valaki!
Ahová a piros nyíl mutat, az
az antenna csatlakozó, s mint az jól látható, nincs
bekötve.
No nem mintha a földcsatlakozóra lenne bármi drót forrasztva...
Ugyan szól a rádió, csakhogy nem jön be rajta
középhullámon a Kossuth.
Rajz van, csavarhúzó van, és még egy kevéske tekerőkedv is akad.
Ez kérem nem kicsit volt eltekerve!
A Kossuth most már
ott jön ahol kell! Illetve eddig nem is jött be sehol.
A rádió furán viselkedik. Csak a skála két
végén van benne élet, és ott is csak alig.
Olyan, mintha a modulátor is az adó mellé volna hangolva.
No de hová lett a C8-as kondenzátor?
Szerencsére átlátható a rajz, egyből
látszik, hogy pont a C8 volna
a középhullámú
modulátor tekercs finomhangolója.
Hogy én nem fogom visszapótolni az biztos!
Félreteszem egy napra, míg megszárad a doboz.
Rezgett a léc! Már majdnem nekiestem
műszerekkel behangolni, mikor
is (mint az már lenni
szokott) újfent legyőzött a lustaság.
Mentségemre szolgáljon, hogy hagytam
magam.
A nagyon vékony csavar a sávváltó gombját
tartja. A jobbra látható lecsapott szélű
alátétes csavar meg a rádió fülének
antennával átellenes végét. Azért ilyen az alátét,
hogyha a rádió kerete is benne
van a dobozban, akkor is be tudjuk tekerni a csavart.
Elsőre nem látszik rajta semmi különös.
Ellenben így már igen. Amennyiben hosszúhullámra vagy
rövid I-re
kapcsolunk, akkor
a sávváltó karja pont eltakarja az éppen
érvényes feliratot. No persze ez csak
szépséghiba.
A kép címe belefért. Vagyis belefért a rádió a
dobozba. De miért ne fért volna bele?
Vajon mire gondolhattam tegnap, mikor elneveztem a képet? Megvan!
Már találkoztam olyan rádióval, ami rosszul volt összerakva.
Kicsit talán túl szögletes, valamint a gombjai is picik, de azért szép.
Nagyon nincs jól behangolva. A Kossuth, ha jön is, ha a helyén is,
de gyenge.
Aztán a skála
jobb oldalán egyszer csak feléled a készülék. Semmi
kedvem
előszedni
a műszereimet, majd behangolni. Dísznek jó lesz ez még így is!
Azt tervezem, hogy felrakom oda, s leveszem
helyette következő
alanynak a Rossija rádiót.
Nem tudom mi szállt meg, de
idén
rengeteg rádiószétszedés lesz, az már egészen biztos!
Szerencsére még emlékszem rá, hogy mit szedtem szét, és
mit nem.
Mind a Tokai
kisrádiót, mind pedig
az általam építőkészletből összerakottat láttuk
már.
Ott hátul
az a zöld szélű is dereng
valahonnan, de nem volt neki igazi szétszedtem cikke.
Majd mondjuk átépítem,
és akkor sokkal alaposabban bele fogunk nézni.
Persze ezek a rádióépítős
tervek még annyira a jövő zenéje, hogy ki
tudja mikor jutok oda. Például
előtte ott van még az apukám által
megmentett, ripityomra tört
dobozú, már majdnem átépített, de
több mint harminc éve
félbehagyott kisrádió, valahol
a nagyszobai lomos szekrény mélyén.
Utóirat:
Aki úgy érzi, hogy fel van iratkozva a
hírlevélre, de nem kapja, az nézze meg
a
Gmail (esetleg Freemail) fiókját webfelület alól. Ott leszek a spam mappában.